| 品牌 | 其他品牌 | 流动方向 | 其他 |
|---|---|---|---|
| 3C阀门类别 | 工业 |
气动操作的球阀,具有中等和高压规格,使用高度耐用的SCS14阀体。
适用于清洁设备,食品机械,半导体相关设备,工厂设备等。
它是一种双作用(Air In Open Air In Close)型气动球阀,可与水,油和气体一起使用。日本京滨气动球阀|双作用TX+SKL系列
气动球阀|双作用 TX + SKL系列
- 气动操作的球阀,具有中等和高压规格,使用高度耐用的SCS14阀体。
- 适用于清洁设备,食品机械,半导体相关设备,工厂设备等。
它是一种双作用(Air In Open Air In Close)型气动球阀,可与水,油和气体一起使用。
| 流体 | 水,油,空气,气体 |
|---|---|
| 温度 | -15至80°C |
| 工作压力 | MDA:1.0MPa 1DA:3.0MPa 2DA:2.5MPa |
| 工作压力 | 0.4至0.7MPa |
| 口径 | 8到50A |
| 行为 | 双重表演 |
| 标准 |
符合NAMUR标准(VDI / VDE3845)* 1 |
* 1:适用于TX2-□DA系列。TX350-MDA不符合要求。
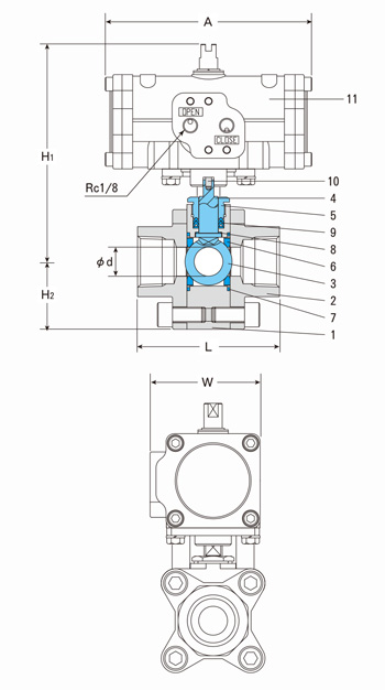
主要部件材料

| 没有 | 名 | 材料 |
|---|---|---|
| 1 | 体 | SCS14 |
| 2 | 终端适配器 | SCS14 |
| 3 | 球 | SUS316 |
| 4 | 干 | SUS316 |
| 五 | 地面 | SUS303 |
| 6 | 球座 | PTFE |
| 7 | 身体密封 | PTFE |
| 8 | 止推垫圈 | PTFE |
| 9 | V环套装 | PTFE |
| 10 | 中心针 | SUS |
| 11 | 执行器 | 装配 |
日本京滨气动球阀|双作用TX+SKL系列 日本京滨气动球阀|双作用TX+SKL系列
其他规格和选项
| 安装方向 | 自由 |
|---|---|
| 环境温度 | 0至50°C |
| 选项 | 电磁阀(AC100,AC200V,DC24V),速度控制器,限位开关,高温规格 |
日本京滨气动球阀|双作用TX+SKL系列日本京滨气动球阀|双作用TX+SKL系列日本京滨气动球阀|双作用TX+SKL系列日本京滨气动球阀|双作用TX+SKL系列日本京滨气动球阀|双作用TX+SKL系列日本京滨气动球阀|双作用TX+SKL系列